Ваш город: Алматы

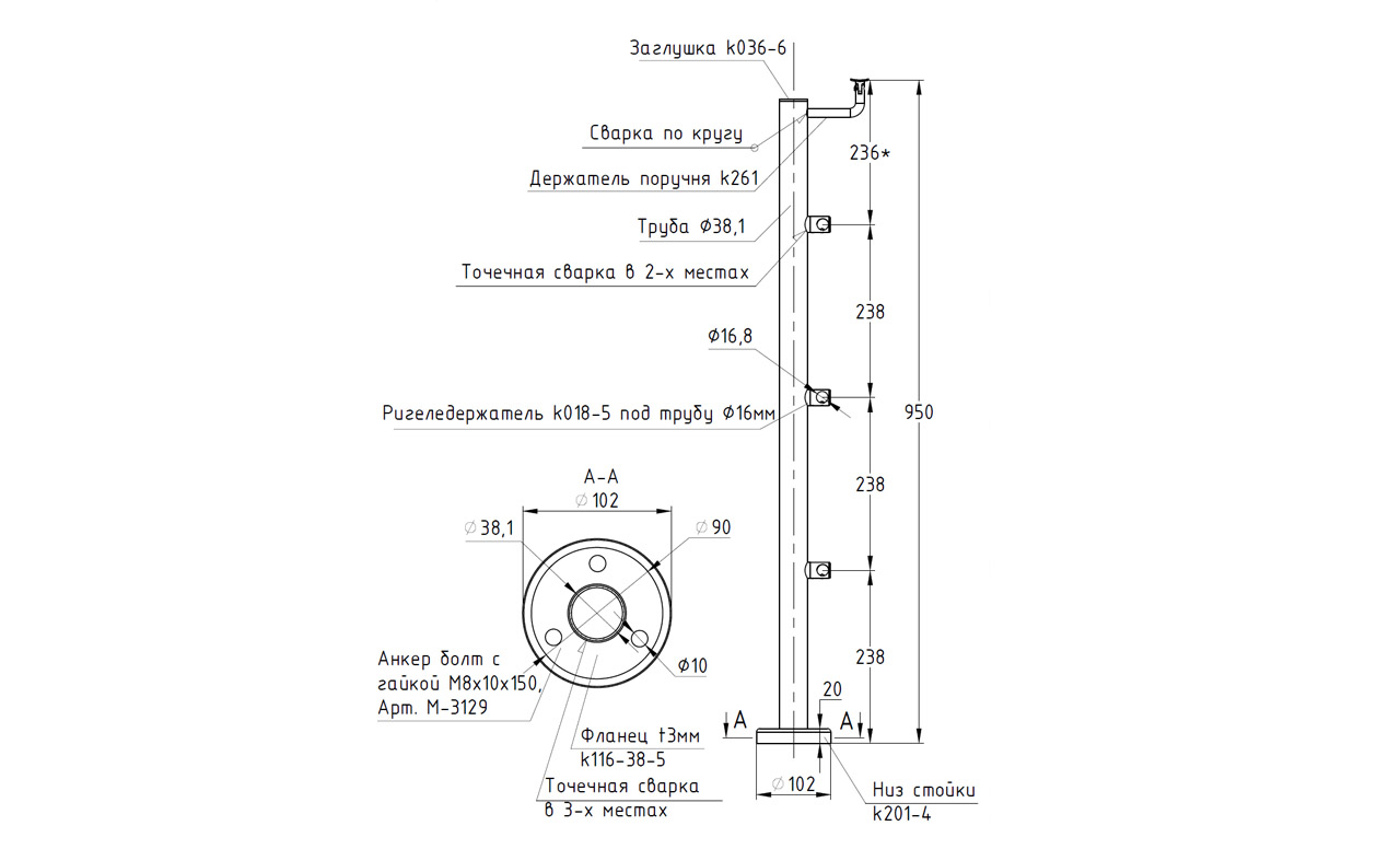
Стойка круглая Ø38.1: 3 ригеледержателя, под выносной поручень, полированная, высота 950 мм (AISI 304) k710

26 110 тенге/шт
Товары-аналоги
Наличие:
Одинцово
Уточняйте у менеджера
СПб-Волковская
Уточняйте у менеджера
Москва-Жулебино
Уточняйте у менеджера
КЗ-Алматы
Уточняйте у менеджера
Екатеринбург
Уточняйте у менеджера
Артикул
k710
Материал
AISI 304 (08Х18Н10)
Способ сборки
Самосбор + Сварка
Поверхность
Полированная
Диаметр, мм
38.1
Описание

Cтойка круглая Ø38.1: 3 ригеледержателя, под выносной поручень, полированная, высота 950мм (aisi 304)

Назначение
Стойка изготовлена на нашем производстве и готова к установке сразу после покупки. Используемая при изготовлении 304 марка стали позволяет применять данную стойку как внутри здания, так и на улице. Все элементы стойки приварены аргонной сваркой, благодаря чему фланец с 3-мя отверстиями для крепления в пол, ригеледержатели под трубу ф16мм и боковой держетель поручня под трубу ф38-50 составляет едитную крепкую конструкцию со стойкой. Сварные швы на балясине убраны и идеально заполированы,а балясина ничем не уступает ограждениям сделанным профессиональными бригадами. Любой человек сможет сделать монтаж имея только отвертку, клей( ф-1127, ф-1105) и саморезы ( М-3850, М-3847, М-3215). Балясина иготовлена специально для тех, кто не хочет стандартное изделие как везде или нужно вынести поручень от стойки в сторону.
Сборка и установка
Готовые стойки – это экономия вашего времени и денег. Приобретая готовую стойку Вы можете собрать ограждение сами, не привлекая монтажную бригаду и экономя денежные средства на монтаже. Стойка легко монтируется к полу благодаря треханкернуму фланцу с отверстиями под анкер-болт М8 ( М-3129, М-3843, М-3838), а крепеж скрывает декоративная крышка идущая в комплекте стойки. Ригеля фиксируются при помощи шестигранника ( k931, k932). Поручень из нержавеющей стали так же легко закрепить при помощи сверла по нержавеющей стали (k961-03, k961-03.5, k961р-03.5, k961р-03) и самореза ( М-3850, М-3847, М-3215). Либо при помощи заклепки ( М-3214) и винта М6 ( М-3973),для крепления при помощи заклепок необходимо растачивать отверстие в ложементе. Если вы используете пластиковый или деревянный поручень, то его можно закрепить при помощи саморезов ( М-3217).

У Вас есть возможность самостоятельно забрать товар с любого нашего склада:

г.Одинцово (схема проезда тут)
График работы: пн-пт 9.00-18.00, сб 09.00-15.00

г.Москва-Жулебино (схема проезда тут)
График работы: пн-пт 9.00-18.00, сб 09.00-15.00

г.Санкт-Петербург (схема проезда тут)
График работы: пн-пт 9.00-18.00.
*Действует пропускная система. Просьба заранее согласовывать приезд с менеджером.

г.Екатеринбург (схема проезда тут)
График работы: пн-пт 9.00-18.00 (время местное)

На территории каждого склада предусмотрена возможность оплаты товара наличными и банковской картой. Также по всем адресам располагается шоу-рум, где можно ознакомиться с образцами товаров и получить подробную консультацию эксперта.

Дополнительно предусмотрена возможность отправки вашего груза услугами известных транспортных компаний по всей России. Оплата доставки груза (склад отправитель-склад получатель) осуществляется за счет покупателя.

Будем рады видеть Вас в числе наших постоянных клиентов!

Ваш отзыв может стать первым! Добавьте его, нажав на кнопку "Добавить отзыв"
Оцените продукт:
Артикул
k710
Материал
AISI 304 (08Х18Н10)
Способ сборки
Самосбор + Сварка
Поверхность
Полированная
Диаметр, мм
38.1
Описание

Cтойка круглая Ø38.1: 3 ригеледержателя, под выносной поручень, полированная, высота 950мм (aisi 304)

Назначение
Стойка изготовлена на нашем производстве и готова к установке сразу после покупки. Используемая при изготовлении 304 марка стали позволяет применять данную стойку как внутри здания, так и на улице. Все элементы стойки приварены аргонной сваркой, благодаря чему фланец с 3-мя отверстиями для крепления в пол, ригеледержатели под трубу ф16мм и боковой держетель поручня под трубу ф38-50 составляет едитную крепкую конструкцию со стойкой. Сварные швы на балясине убраны и идеально заполированы,а балясина ничем не уступает ограждениям сделанным профессиональными бригадами. Любой человек сможет сделать монтаж имея только отвертку, клей( ф-1127, ф-1105) и саморезы ( М-3850, М-3847, М-3215). Балясина иготовлена специально для тех, кто не хочет стандартное изделие как везде или нужно вынести поручень от стойки в сторону.
Сборка и установка
Готовые стойки – это экономия вашего времени и денег. Приобретая готовую стойку Вы можете собрать ограждение сами, не привлекая монтажную бригаду и экономя денежные средства на монтаже. Стойка легко монтируется к полу благодаря треханкернуму фланцу с отверстиями под анкер-болт М8 ( М-3129, М-3843, М-3838), а крепеж скрывает декоративная крышка идущая в комплекте стойки. Ригеля фиксируются при помощи шестигранника ( k931, k932). Поручень из нержавеющей стали так же легко закрепить при помощи сверла по нержавеющей стали (k961-03, k961-03.5, k961р-03.5, k961р-03) и самореза ( М-3850, М-3847, М-3215). Либо при помощи заклепки ( М-3214) и винта М6 ( М-3973),для крепления при помощи заклепок необходимо растачивать отверстие в ложементе. Если вы используете пластиковый или деревянный поручень, то его можно закрепить при помощи саморезов ( М-3217).

У Вас есть возможность самостоятельно забрать товар с любого нашего склада:

г.Одинцово (схема проезда тут)
График работы: пн-пт 9.00-18.00, сб 09.00-15.00

г.Москва-Жулебино (схема проезда тут)
График работы: пн-пт 9.00-18.00, сб 09.00-15.00

г.Санкт-Петербург (схема проезда тут)
График работы: пн-пт 9.00-18.00.
*Действует пропускная система. Просьба заранее согласовывать приезд с менеджером.

г.Екатеринбург (схема проезда тут)
График работы: пн-пт 9.00-18.00 (время местное)

На территории каждого склада предусмотрена возможность оплаты товара наличными и банковской картой. Также по всем адресам располагается шоу-рум, где можно ознакомиться с образцами товаров и получить подробную консультацию эксперта.

Дополнительно предусмотрена возможность отправки вашего груза услугами известных транспортных компаний по всей России. Оплата доставки груза (склад отправитель-склад получатель) осуществляется за счет покупателя.

Будем рады видеть Вас в числе наших постоянных клиентов!

Ваш отзыв может стать первым! Добавьте его, нажав на кнопку "Добавить отзыв"
Оцените продукт:
Фото с объекта
Вместе с этим товаром покупают
Заглушка штампованная на трубу Ø50.8х17 мм (AISI 304) полированная k014 купить в Алматы
k014
304
220 тенге/шт
Заглушка штампованная на трубу Ø50.8х17 мм (AISI 304) полированная k014
Заглушка штампованная на трубу Ø16x1.5 мм (AISI 304) полированная k200-2 купить в Алматы
k200-2
304
180 тенге/шт
Заглушка штампованная на трубу Ø16x1.5 мм (AISI 304) полированная k200-2
Отвод поручня под сварку Ø50.8х1.5 мм, 400 Grit, (AISI 304) k021 купить в Алматы
k021
304
770 тенге/шт
Отвод поручня под сварку Ø50.8х1.5 мм, 400 Grit, (AISI 304) k021
Наконечник палец регул. 65 мм, с ложементом, Ø38.1х1.5хAISI 304 #600 k006-2 купить в Алматы
k006-2
304
2 620 тенге/шт
Наконечник палец регул. 65 мм, с ложементом, Ø38.1х1.5хAISI 304 #600 k006-2
Труба нержавеющая AISI 304, Ø50.8 x 1.5 х 6м, полированная Rk855 купить в Алматы
Rk855
304
6 490 тенге/м
Труба нержавеющая AISI 304, Ø50.8 x 1.5 х 6м, полированная Rk855
Фланец для трубы Ø50.8 мм, литой, полированный под 3 самореза 4.8 мм (AISI 304) k022 купить в Алматы
k022
304
1 940 тенге/шт
Фланец для трубы Ø50.8 мм, литой, полированный под 3 самореза 4.8 мм (AISI 304) k022
Наконечник штампованный (СПС) прямой 90° на трубу Ø38.1 мм, для поручня Ø50.8 мм, полированный, нержавеющий, AISI 304, 600Grit, k017-3 купить в Алматы
k017-3
304
270 тенге/шт
Наконечник штампованный (СПС) прямой 90° на трубу Ø38.1 мм, для поручня Ø50.8 мм, полированный, нержавеющий, AISI 304, 600Grit, k017-3
Отвод поручня под сварку Ø38.1х1.45 мм, 400 Grit, (AISI 304) k095 купить в Алматы
k095
304
590 тенге/шт
Отвод поручня под сварку Ø38.1х1.45 мм, 400 Grit, (AISI 304) k095
Низ стойки Ø38.1 мм, 102х18х0.6, полированный (AISI 304) k201-4 купить в Алматы
k201-4
304
510 тенге/шт
Низ стойки Ø38.1 мм, 102х18х0.6, полированный (AISI 304) k201-4
Стеклодержатель литой под стекло 8 мм (4+4 мм), под стойку Ø38.1 мм 40х22х49, полированный (AISI 304) k001-4 купить в Алматы
k001-4
304
2 920 тенге/шт
Стеклодержатель литой под стекло 8 мм (4+4 мм), под стойку Ø38.1 мм 40х22х49, полированный (AISI 304) k001-4
Низ стойки Ø38.1 мм, Ø60х12х0.4, полированный (AISI 304) k015 купить в Алматы
k015
304
270 тенге/шт
Низ стойки Ø38.1 мм, Ø60х12х0.4, полированный (AISI 304) k015
Ригеледержатель на стойку Ø38.1хØ16.5 мм, полированный, литой (AISI 304) k018-5 купить в Алматы
k018-5
304
740 тенге/шт
Ригеледержатель на стойку Ø38.1хØ16.5 мм, полированный, литой (AISI 304) k018-5
Фланец стойки 38/90х5 (4.3) х AISI 304 #200 3 отв. М10 х 20 k116-38-5 купить в Алматы
k116-38-5
304
1 220 тенге/шт
Фланец стойки 38/90х5 (4.3) х AISI 304 #200 3 отв. М10 х 20 k116-38-5
Наконечник штампованный (СПС) косой 30° на трубу Ø38.1 мм, для поручня Ø50.8 мм, полированный, нержавеющий, AISI 304, 600Grit, k016-3 купить в Алматы
k016-3
304
240 тенге/шт
Наконечник штампованный (СПС) косой 30° на трубу Ø38.1 мм, для поручня Ø50.8 мм, полированный, нержавеющий, AISI 304, 600Grit, k016-3
Труба круглая нержавеющая Ø38.1х1.5х6000 мм, полированная 600GRIT k815 купить в Алматы
k815
201
2 440 тенге/м
Труба круглая нержавеющая Ø38.1х1.5х6000 мм, полированная 600GRIT k815
Заглушка на трубу Ø38.1х1.5 мм полированная штампованная (AISI 304) k036-5 купить в Алматы
k036-5
304
230 тенге/шт
Заглушка на трубу Ø38.1х1.5 мм полированная штампованная (AISI 304) k036-5
Поворот шарнирный под Ø50.8 мм, полированная, (AISI 304) k011 купить в Алматы
k011
304
6 070 тенге/шт
Поворот шарнирный под Ø50.8 мм, полированная, (AISI 304) k011
Заглушка штампованная на трубу Ø38.1х1.5 мм (AISI 304) полированная k036-6 купить в Алматы
k036-6
304
170 тенге/шт
Заглушка штампованная на трубу Ø38.1х1.5 мм (AISI 304) полированная k036-6
Труба круглая нержавеющая AISI 201, Ø16х1.5х6000 мм, полированная 600GRIT k813 купить в Алматы
k813
201
990 тенге/м
Труба круглая нержавеющая AISI 201, Ø16х1.5х6000 мм, полированная 600GRIT k813
Поворот ригеля Ø16х1.5 мм, с двумя установочными штифтами, шарнирный, (AISI 304) k060-4 купить в Алматы
k060-4
304
2 410 тенге/шт
Поворот ригеля Ø16х1.5 мм, с двумя установочными штифтами, шарнирный, (AISI 304) k060-4
Популярные товары в этой категории
Стойка круглая Ø38.1: 3 ригеледержателя, полированная, высота 950 мм (AISI 304) k713 купить в Алматы
k713
304
19 080 тенге/шт
Стойка круглая Ø38.1: 3 ригеледержателя, полированная, высота 950 мм (AISI 304) k713
Готовая стойка 40х40х950 мм, деревянная нелакированная, со вставками из нержавеющей стали 2х100 мм k740 купить в Алматы
k740
304
34 350 тенге/шт
Готовая стойка 40х40х950 мм, деревянная нелакированная, со вставками из нержавеющей стали 2х100 мм k740
Готовая стойка 40х40х950 мм, деревянная, со вставками из нержавеющей стали 2х100 мм с 4 зажимными стеклодержателями, под золото k740-3-G купить в Алматы
k740-3-G
304
Готовая стойка 40х40х950 мм, деревянная, со вставками из нержавеющей стали 2х100 мм с 4 зажимными стеклодержателями, под золото k740-3-G
Стойка круглая Ø38.1: 2 литых зажимных стеклодержателя, полированная, высота 950 мм (AISI 304) k722-R купить в Алматы
k722-R
304
24 780 тенге/шт
Стойка круглая Ø38.1: 2 литых зажимных стеклодержателя, полированная, высота 950 мм (AISI 304) k722-R
Стойка круглая Ø38.1: 2 литых зажимных стеклодержателя, под стекло 8-10 мм, полированная, высота 950 мм (AISI 304) k722-L купить в Алматы
k722-L
304
24 780 тенге/шт
Стойка круглая Ø38.1: 2 литых зажимных стеклодержателя, под стекло 8-10 мм, полированная, высота 950 мм (AISI 304) k722-L
Готовая стойка 40х40х950 мм, деревянная, со вставками из нержавеющей стали 2х100 мм с 2 зажимными стеклодержателями, под золото k740-4-L-G купить в Алматы
k740-4-L-G
304
Готовая стойка 40х40х950 мм, деревянная, со вставками из нержавеющей стали 2х100 мм с 2 зажимными стеклодержателями, под золото k740-4-L-G
Стойка круглая Ø38.1: 4 литых зажимных стеклодержателя, полированная, высота 950 мм (AISI 304) k724 купить в Алматы
k724
304
35 430 тенге/шт
Стойка круглая Ø38.1: 4 литых зажимных стеклодержателя, полированная, высота 950 мм (AISI 304) k724
Готовая стойка 40х40х950 мм, деревянная, со вставками из нержавеющей стали 2х100 мм с 2 пластинчатыми стеклодержателями, под золото k740-2-G купить в Алматы
k740-2-G
304
Готовая стойка 40х40х950 мм, деревянная, со вставками из нержавеющей стали 2х100 мм с 2 пластинчатыми стеклодержателями, под золото k740-2-G
Готовая стойка 40х40х950 мм, деревянная, со вставками из нержавеющей стали 2х100 мм с 3 ригеледержателями k740-1-G купить в Алматы
k740-1-G
304
Готовая стойка 40х40х950 мм, деревянная, со вставками из нержавеющей стали 2х100 мм с 3 ригеледержателями k740-1-G
Стойка квадратная 40х40: 4 литых стеклодержателя, полированная, высота 950 мм (AISI 304) k746 купить в Алматы
k746
304
49 920 тенге/шт
Стойка квадратная 40х40: 4 литых стеклодержателя, полированная, высота 950 мм (AISI 304) k746
Готовая стойка 40х40х950 мм, деревянная, со вставками из нержавеющей стали 2х100 мм с 2 зажимными стеклодержателями k740-4-L купить в Алматы
k740-4-L
304
48 950 тенге/шт
Готовая стойка 40х40х950 мм, деревянная, со вставками из нержавеющей стали 2х100 мм с 2 зажимными стеклодержателями k740-4-L
Готовая стойка 40х40х950 мм, деревянная, со вставками из нержавеющей стали 2х100 мм с 2 зажимными стеклодержателями k740-4-R купить в Алматы
k740-4-R
304
48 950 тенге/шт
Готовая стойка 40х40х950 мм, деревянная, со вставками из нержавеющей стали 2х100 мм с 2 зажимными стеклодержателями k740-4-R
Дизайнерская плоская комбинированная стойка в сборе из шлифованной нержавеющей стали и древесины дуба k742 купить в Алматы
k742
304
77 190 тенге/шт
Дизайнерская плоская комбинированная стойка в сборе из шлифованной нержавеющей стали и древесины дуба k742
Готовая стойка Ø38,1 мм, с фланцем, высота 900 мм, полированная (AISI 304) k701 купить в Алматы
k701
304
9 650 тенге/шт
Готовая стойка Ø38,1 мм, с фланцем, высота 900 мм, полированная (AISI 304) k701
Готовая стойка Ø38,1 мм, с фланцем и наконечником, высота 950 мм, полированная (AISI 304) k702 купить в Алматы
k702
304
14 890 тенге/шт
Готовая стойка Ø38,1 мм, с фланцем и наконечником, высота 950 мм, полированная (AISI 304) k702
Стойка круглая Ø38.1: 2 ригеледержателя, полированная, высота 950 мм (AISI 304) k712 купить в Алматы
k712
304
17 610 тенге/шт
Стойка круглая Ø38.1: 2 ригеледержателя, полированная, высота 950 мм (AISI 304) k712
Стойка для пандуса: под 2 поручня Ø38,1 мм для инвалидов, полированная, высота 900 мм  (AISI 304) k750 купить в Алматы
k750
304
23 210 тенге/шт
Стойка для пандуса: под 2 поручня Ø38,1 мм для инвалидов, полированная, высота 900 мм (AISI 304) k750
Стойка круглая Ø38.1: 2 штамп. зажимных стеклодержателя, полированная, высота 950 мм (AISI 201) k726-L купить в Алматы
k726-L
201
16 420 тенге/шт
Стойка круглая Ø38.1: 2 штамп. зажимных стеклодержателя, полированная, высота 950 мм (AISI 201) k726-L
Стойка круглая Ø38.1: 4 штамп. стеклодержателя, полированная, высота 950 мм (AISI 201) k728 купить в Алматы
k728
201
20 680 тенге/шт
Стойка круглая Ø38.1: 4 штамп. стеклодержателя, полированная, высота 950 мм (AISI 201) k728
Стойка круглая Ø38.1: 2 штамп. зажимных стеклодержателя, полированная, высота 950 мм (AISI 201) k726-R купить в Алматы
k726-R
201
16 420 тенге/шт
Стойка круглая Ø38.1: 2 штамп. зажимных стеклодержателя, полированная, высота 950 мм (AISI 201) k726-R
Товары аналоги
Стойка круглая Ø38.1: 3 ригеледержателя, полированная, высота 950 мм (AISI 304) k713 купить в Алматы
k713
304
19 080 тенге/шт
Стойка круглая Ø38.1: 3 ригеледержателя, полированная, высота 950 мм (AISI 304) k713
Стойка круглая Ø38.1: 2 ригеледержателя, полированная, высота 950 мм (AISI 304) k712 купить в Алматы
k712
304
17 610 тенге/шт
Стойка круглая Ø38.1: 2 ригеледержателя, полированная, высота 950 мм (AISI 304) k712
Стойка круглая Ø38.1: 2 литых зажимных стеклодержателя, под стекло 8-10 мм, полированная, высота 950 мм (AISI 304) k722-L купить в Алматы
k722-L
304
24 780 тенге/шт
Стойка круглая Ø38.1: 2 литых зажимных стеклодержателя, под стекло 8-10 мм, полированная, высота 950 мм (AISI 304) k722-L
Стойка круглая Ø38.1: 4 литых зажимных стеклодержателя, полированная, высота 950 мм (AISI 304) k724 купить в Алматы
k724
304
35 430 тенге/шт
Стойка круглая Ø38.1: 4 литых зажимных стеклодержателя, полированная, высота 950 мм (AISI 304) k724
Готовая стойка Ø38,1 мм, с фланцем и наконечником, высота 950 мм, полированная (AISI 304) k702 купить в Алматы
k702
304
14 890 тенге/шт
Готовая стойка Ø38,1 мм, с фланцем и наконечником, высота 950 мм, полированная (AISI 304) k702
Готовая стойка Ø38,1 мм, с фланцем, высота 900 мм, полированная (AISI 304) k701 купить в Алматы
k701
304
9 650 тенге/шт
Готовая стойка Ø38,1 мм, с фланцем, высота 900 мм, полированная (AISI 304) k701
Стойка круглая Ø38.1: 2 литых зажимных стеклодержателя, полированная, высота 950 мм (AISI 304) k722-R купить в Алматы
k722-R
304
24 780 тенге/шт
Стойка круглая Ø38.1: 2 литых зажимных стеклодержателя, полированная, высота 950 мм (AISI 304) k722-R
Стойка для пандуса: под 2 поручня Ø38,1 мм для инвалидов, полированная, высота 900 мм  (AISI 304) k750 купить в Алматы
k750
304
23 210 тенге/шт
Стойка для пандуса: под 2 поручня Ø38,1 мм для инвалидов, полированная, высота 900 мм (AISI 304) k750
Стойка круглая Ø38.1: 4 штамп. стеклодержателя, полированная, высота 950 мм (AISI 201) k728 купить в Алматы
k728
201
20 680 тенге/шт
Стойка круглая Ø38.1: 4 штамп. стеклодержателя, полированная, высота 950 мм (AISI 201) k728
Стойка круглая Ø38.1: 2 штамп. зажимных стеклодержателя, полированная, высота 950 мм (AISI 201) k726-R купить в Алматы
k726-R
201
16 420 тенге/шт
Стойка круглая Ø38.1: 2 штамп. зажимных стеклодержателя, полированная, высота 950 мм (AISI 201) k726-R
Также Вам может понадобиться
Шлиф.круг самолип. d.125,P.120 KLINGSPOR Ф-1085 купить в Алматы
Ф-1085
480 тенге/шт
Шлиф.круг самолип. d.125,P.120 KLINGSPOR Ф-1085
Шлиф.круг самолип. d.125,P.400 KLINGSPOR Ф-0906 купить в Алматы
Ф-0906
160 тенге/шт
Шлиф.круг самолип. d.125,P.400 KLINGSPOR Ф-0906
Перчатки х/б, точка Ф-0809 купить в Алматы
Ф-0809
140 тенге/шт
Перчатки х/б, точка Ф-0809
Ультратонкий отрезной круг д.125/1/22 KLINGSPOR Ф-0835 купить в Алматы
Ф-0835
1 670 тенге/шт
Ультратонкий отрезной круг д.125/1/22 KLINGSPOR Ф-0835
Электроды плавящиеся МР-3, д3 мм, по черному металлу Ф-1446 купить в Алматы
Ф-1446
120 тенге/шт
Электроды плавящиеся МР-3, д3 мм, по черному металлу Ф-1446
Шлиф.круг самолип. d.125,P.320 SMIRDEX Ф-0908 купить в Алматы
Ф-0908
220 тенге/шт
Шлиф.круг самолип. d.125,P.320 SMIRDEX Ф-0908
Шлиф.круг самолип. d.125,P.240 KLINGSPOR Ф-0905 купить в Алматы
Ф-0905
180 тенге/шт
Шлиф.круг самолип. d.125,P.240 KLINGSPOR Ф-0905
Проволока AISI 308 d.1.6 мм (1м) Ф-0881 купить в Алматы
Ф-0881
210 тенге/м
Проволока AISI 308 d.1.6 мм (1м) Ф-0881
Проволока AISI 304 d.1.0 мм (1м) Ф-0880 купить в Алматы
Ф-0880
70 тенге/м
Проволока AISI 304 d.1.0 мм (1м) Ф-0880
Проволока AISI 304 d.2.0 мм (1м) Ф-0882 купить в Алматы
Ф-0882
300 тенге/м
Проволока AISI 304 d.2.0 мм (1м) Ф-0882
Новинки категории
Стойка для пандуса: под 2 поручня Ø38,1-50,8 мм для инвалидов, 2 ригеледержателя, полированная, высота 900 мм, AISI 304 k750-6 купить в Алматы
k750-6
304
/шт
Стойка для пандуса: под 2 поручня Ø38,1-50,8 мм для инвалидов, 2 ригеледержателя, полированная, высота 900 мм, AISI 304 k750-6
Стойка с торцевым креплением на фланцах, 60*60*1100 мм, с пластиной, для стекла 8-20 мм, шлифованная, AISI 304 k793 купить в Алматы
k793
304
Стойка с торцевым креплением на фланцах, 60*60*1100 мм, с пластиной, для стекла 8-20 мм, шлифованная, AISI 304 k793
Стойка квадратная 40х40: 4 литых стеклодержателя, шлифованная, высота 950 мм AISI 304 k746-7 купить в Алматы
k746-7
304
56 650 тенге/шт
Стойка квадратная 40х40: 4 литых стеклодержателя, шлифованная, высота 950 мм AISI 304 k746-7
Стойка квадратная 40х40: 2 литых зажимн. стеклодержателя, шлифованная, высота 950 мм AISI 304 k745-2-R/L купить в Алматы
k745-2-R/L
304
40 830 тенге/шт
Стойка квадратная 40х40: 2 литых зажимн. стеклодержателя, шлифованная, высота 950 мм AISI 304 k745-2-R/L
Стойка квадратная 40х40: 4 литых квадратных стеклодержателя, шлифованная, высота 950 мм (AISI 304) k748-3 купить в Алматы
k748-3
304
56 030 тенге/шт
Стойка квадратная 40х40: 4 литых квадратных стеклодержателя, шлифованная, высота 950 мм (AISI 304) k748-3
Стойка квадратная 40х40: 2 литых квадратных стеклодержателя, шлифованная, высота 950 мм (AISI 304) k747-2-L/R купить в Алматы
k747-2-L/R
304
36 340 тенге/шт
Стойка квадратная 40х40: 2 литых квадратных стеклодержателя, шлифованная, высота 950 мм (AISI 304) k747-2-L/R
Стойка квадратная 40х40: полированная базовая, с плоским наконечником, высота 950 мм k743-9 купить в Алматы
k743-9
28 450 тенге/шт
Стойка квадратная 40х40: полированная базовая, с плоским наконечником, высота 950 мм k743-9
Готовая стойка 40х40х950 мм, деревянная нелакированная, дуб, с лежементом под плоскость, со вставками из нержавеющей стали 2х100 мм k740-12 купить в Алматы
k740-12
201
35 670 тенге/шт
Готовая стойка 40х40х950 мм, деревянная нелакированная, дуб, с лежементом под плоскость, со вставками из нержавеющей стали 2х100 мм k740-12
Готовая стойка 40х40х950 мм, деревянная буковая нелакированная, со вставками из нержавеющей стали полир. 2х100 мм k740-9-П купить в Алматы
k740-9-П
304
33 740 тенге/шт
Готовая стойка 40х40х950 мм, деревянная буковая нелакированная, со вставками из нержавеющей стали полир. 2х100 мм k740-9-П
Готовая стойка 40х40х950 мм, деревянная, бук, со вставками из нержавеющей стали 2х100 мм с 3 ригеледержателями k740-16 купить в Алматы
k740-16
304
40 770 тенге/шт
Готовая стойка 40х40х950 мм, деревянная, бук, со вставками из нержавеющей стали 2х100 мм с 3 ригеледержателями k740-16
Наш Telegram-канал
Эксклюзивные акции и скидки только для подписчиков: не упусти выгоду!
Перейти на наш канал
Подпишись на наш Telegram-канал
Эксклюзивные акции и скидки только для подписчиков: не упусти выгоду!