Ваш город: Алматы

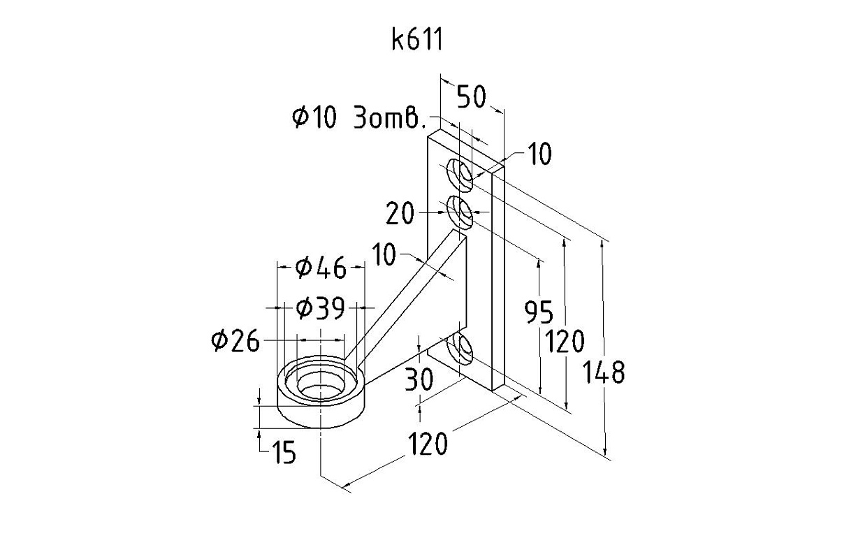
Крепление козырька к стойке алюминиевого фасада, AISI 304, литое , полированное, k611

25 180 тенге/шт
Товары-аналоги
Наличие:
Одинцово
В наличии
СПб-Волковская
В наличии
Москва-Жулебино
В наличии
КЗ-Алматы
В наличии
Екатеринбург
В наличии
Артикул
k611
Материал
AISI 304 (08Х18Н10)
Способ сборки
Самосбор
Описание
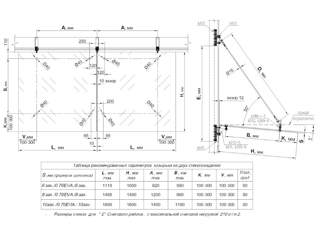
Держатель стеклянного козырька (Соединение стойка - рутель). Полированная деталь, выполненная из стали AISI 304. Состоит из фланса толщиной 10 мм и шириной 50 мм и дистансера с выносом 120мм до центра крепежного отверстия.На основании имеется 3 крепёжных отверстия.
Назначение
Применяется при монтаже козырьков из стекла, навесов над входом в магазин, козырьков над входом в подвал или над местом курения. Один из самых ответственных элементов крепления козырька. Отвечает за крепление конструкции непосредственно к зданию и несёт на себе весь её вес. Используется с рутелем k274-2либо k269-6.
Особенность модели
Крепление Стойка-рутель – деталь, которая возьмёт на себя всю тяжесть конструкции козырька. Поэтому следует наиболее ответственно подойти к её выбору и обратить внимание на все её преимущества:
  • Широкий спектр возможностей. Данная деталь чаще всего продаётся в комплекте с рутелем. Однако мы специально продаём её отдельно, так как это делает возможности её применения значительно шире. Держатель для подвеса стеклянного козырька может использоваться как держатель любых навесных конструкций. Например, рекламных.
  • Высокое качество при низкой цене. 304-я марка стали обеспечивает высокую устойчивость к агрессивной внешней среде. При этом позволяет выпускать крепление по вполне приемлемой цене. Отличный внешний вид детали обеспечивается её высококачественной полировкой.
  • Исключает возможность излома стекла. Конструкция фланца надёжно защищает конструкцию козырька от колебательных нагрузок.
Сборка и установка
Держатель крепится к стене посредством шпильки и втулки к кондуктору. Затем в держатель вкручивается рутель(k274-2 или 269-6) и уже на рутель крепится стекло. Хотите узнать ВСЁ о назначении и применении этой детали? Звоните нашим менеджерам.

У Вас есть возможность самостоятельно забрать товар с любого нашего склада:

г.Одинцово (схема проезда тут)
График работы: пн-пт 9.00-18.00, сб 09.00-15.00

г.Москва-Жулебино (схема проезда тут)
График работы: пн-пт 9.00-18.00, сб 09.00-15.00

г.Санкт-Петербург (схема проезда тут)
График работы: пн-пт 9.00-18.00.
*Действует пропускная система. Просьба заранее согласовывать приезд с менеджером.

г.Екатеринбург (схема проезда тут)
График работы: пн-пт 9.00-18.00 (время местное)

На территории каждого склада предусмотрена возможность оплаты товара наличными и банковской картой. Также по всем адресам располагается шоу-рум, где можно ознакомиться с образцами товаров и получить подробную консультацию эксперта.

Дополнительно предусмотрена возможность отправки вашего груза услугами известных транспортных компаний по всей России. Оплата доставки груза (склад отправитель-склад получатель) осуществляется за счет покупателя.

Будем рады видеть Вас в числе наших постоянных клиентов!

Ваш отзыв может стать первым! Добавьте его, нажав на кнопку "Добавить отзыв"
Оцените продукт:
Артикул
k611
Материал
AISI 304 (08Х18Н10)
Способ сборки
Самосбор
Описание
Держатель стеклянного козырька (Соединение стойка - рутель). Полированная деталь, выполненная из стали AISI 304. Состоит из фланса толщиной 10 мм и шириной 50 мм и дистансера с выносом 120мм до центра крепежного отверстия.На основании имеется 3 крепёжных отверстия.
Назначение
Применяется при монтаже козырьков из стекла, навесов над входом в магазин, козырьков над входом в подвал или над местом курения. Один из самых ответственных элементов крепления козырька. Отвечает за крепление конструкции непосредственно к зданию и несёт на себе весь её вес. Используется с рутелем k274-2либо k269-6.
Особенность модели
Крепление Стойка-рутель – деталь, которая возьмёт на себя всю тяжесть конструкции козырька. Поэтому следует наиболее ответственно подойти к её выбору и обратить внимание на все её преимущества:
  • Широкий спектр возможностей. Данная деталь чаще всего продаётся в комплекте с рутелем. Однако мы специально продаём её отдельно, так как это делает возможности её применения значительно шире. Держатель для подвеса стеклянного козырька может использоваться как держатель любых навесных конструкций. Например, рекламных.
  • Высокое качество при низкой цене. 304-я марка стали обеспечивает высокую устойчивость к агрессивной внешней среде. При этом позволяет выпускать крепление по вполне приемлемой цене. Отличный внешний вид детали обеспечивается её высококачественной полировкой.
  • Исключает возможность излома стекла. Конструкция фланца надёжно защищает конструкцию козырька от колебательных нагрузок.
Сборка и установка
Держатель крепится к стене посредством шпильки и втулки к кондуктору. Затем в держатель вкручивается рутель(k274-2 или 269-6) и уже на рутель крепится стекло. Хотите узнать ВСЁ о назначении и применении этой детали? Звоните нашим менеджерам.

У Вас есть возможность самостоятельно забрать товар с любого нашего склада:

г.Одинцово (схема проезда тут)
График работы: пн-пт 9.00-18.00, сб 09.00-15.00

г.Москва-Жулебино (схема проезда тут)
График работы: пн-пт 9.00-18.00, сб 09.00-15.00

г.Санкт-Петербург (схема проезда тут)
График работы: пн-пт 9.00-18.00.
*Действует пропускная система. Просьба заранее согласовывать приезд с менеджером.

г.Екатеринбург (схема проезда тут)
График работы: пн-пт 9.00-18.00 (время местное)

На территории каждого склада предусмотрена возможность оплаты товара наличными и банковской картой. Также по всем адресам располагается шоу-рум, где можно ознакомиться с образцами товаров и получить подробную консультацию эксперта.

Дополнительно предусмотрена возможность отправки вашего груза услугами известных транспортных компаний по всей России. Оплата доставки груза (склад отправитель-склад получатель) осуществляется за счет покупателя.

Будем рады видеть Вас в числе наших постоянных клиентов!

Ваш отзыв может стать первым! Добавьте его, нажав на кнопку "Добавить отзыв"
Оцените продукт:
Контроль качества
Обновление от 17.09.2025
Вместе с этим товаром покупают
Крепление ванты(тяги) козырька к стойке алюминиевого фасада, AISI 304,литое,полированное, k610 купить в Алматы
k610
304
19 600 тенге/шт
Крепление ванты(тяги) козырька к стойке алюминиевого фасада, AISI 304,литое,полированное, k610
Наконечник ванты (тяги) под резьбу М16 левый (AISI304) k661-L купить в Алматы
k661-L
304
12 960 тенге/шт
Наконечник ванты (тяги) под резьбу М16 левый (AISI304) k661-L
Наконечник ванты (тяги) под резьбу М16 правый (AISI304) k661-R купить в Алматы
k661-R
304
11 990 тенге/шт
Наконечник ванты (тяги) под резьбу М16 правый (AISI304) k661-R
Крепление стеклодержателя (рутеля) к ванте (серьга) (AISI304) k659 купить в Алматы
k659
304
19 120 тенге/шт
Крепление стеклодержателя (рутеля) к ванте (серьга) (AISI304) k659
Рутель под стекло 10-26 мм, шпилька М14, регулируемый, разборный (AISI 304) k269-6 купить в Алматы
k269-6
304
6 710 тенге/шт
Рутель под стекло 10-26 мм, шпилька М14, регулируемый, разборный (AISI 304) k269-6
I-спайдер-200мм, AISI 304, 2х26х38, 1х18х36/40мм, нагрузки: 1кН, 2кН k288-I-2 купить в Алматы
k288-I-2
304
13 110 тенге/шт
I-спайдер-200мм, AISI 304, 2х26х38, 1х18х36/40мм, нагрузки: 1кН, 2кН k288-I-2
Вант (тяга) для козырька М16, длина 1450 мм (AISI 304) k668-16-1450 купить в Алматы
k668-16-1450
304
20 460 тенге/шт
Вант (тяга) для козырька М16, длина 1450 мм (AISI 304) k668-16-1450
Крепление ванты(тяги) козырька к стене (AISI304), литое, полированное k658 купить в Алматы
k658
304
19 150 тенге/шт
Крепление ванты(тяги) козырька к стене (AISI304), литое, полированное k658
Вант(тяга) для козырька М16, длина 1750мм (AISI 304) k668-16-1750 купить в Алматы
k668-16-1750
304
21 820 тенге/шт
Вант(тяга) для козырька М16, длина 1750мм (AISI 304) k668-16-1750
Крепление стеклодержателя (рутеля) к стене под резьбу М14 (AISI304) k660 купить в Алматы
k660
304
22 630 тенге/шт
Крепление стеклодержателя (рутеля) к стене под резьбу М14 (AISI304) k660
Рутель для крепления козырьков на ванты, разборный, для стекла 10-26 мм, нержавеющая сталь AISI 316, полированная k274-2 купить в Алматы
k274-2
316
9 970 тенге/шт
Рутель для крепления козырьков на ванты, разборный, для стекла 10-26 мм, нержавеющая сталь AISI 316, полированная k274-2
Кондуктор стандартный алюминиевый для монтажа козырька на алюминиевый фасад,275мм, под 7 саморезов k615S купить в Алматы
k615S
16 000 тенге/шт
Кондуктор стандартный алюминиевый для монтажа козырька на алюминиевый фасад,275мм, под 7 саморезов k615S
k668-16-L2 Вант (тяга) для козырька М16, 1000-2000 мм (AISI 304) купить в Алматы
k668-16-L2
304
34 190 тенге/шт
k668-16-L2 Вант (тяга) для козырька М16, 1000-2000 мм (AISI 304)
Крепление стеклодержателя (рутеля) к ванте (серьга) (AISI316) k659-16 купить в Алматы
k659-16
316
15 640 тенге/шт
Крепление стеклодержателя (рутеля) к ванте (серьга) (AISI316) k659-16
Вант(тяга) для козырька М16, длина 1150мм (AISI 304) k668-16-1150 купить в Алматы
k668-16-1150
304
20 020 тенге/шт
Вант(тяга) для козырька М16, длина 1150мм (AISI 304) k668-16-1150
Вант (тяга) для козырька М16, длина 2000 мм (AISI 304) k668-16-2000 купить в Алматы
k668-16-2000
304
24 630 тенге/шт
Вант (тяга) для козырька М16, длина 2000 мм (AISI 304) k668-16-2000
Рутель для вантового крепления козырьков, регулируемый, разборный, под стекло от 10 до 28 мм, полированный, диаметр внешнего кольца 52, шпилька М14 (AISI 304) k269-5 купить в Алматы
k269-5
304
13 220 тенге/шт
Рутель для вантового крепления козырьков, регулируемый, разборный, под стекло от 10 до 28 мм, полированный, диаметр внешнего кольца 52, шпилька М14 (AISI 304) k269-5
Кондуктор облегченный алюминиевый для монтажа козырька на алюминиевый фасад,200мм, под 5 саморезов k615L купить в Алматы
k615L
11 230 тенге/шт
Кондуктор облегченный алюминиевый для монтажа козырька на алюминиевый фасад,200мм, под 5 саморезов k615L
Крепление тяги к стене двойное (AISI304) k669 купить в Алматы
k669
304
94 510 тенге/шт
Крепление тяги к стене двойное (AISI304) k669
Наконечник ванты (тяги) с резьбой М16 правый, литой , полированный (AISI316) k661-16-R купить в Алматы
k661-16-R
316
18 550 тенге/шт
Наконечник ванты (тяги) с резьбой М16 правый, литой , полированный (AISI316) k661-16-R
Популярные товары в этой категории
Пистолет для хим.анкера Bit Ф-1103 купить в Алматы
Ф-1103
49 940 тенге/шт
Пистолет для хим.анкера Bit Ф-1103
Паста Фламил 200 грамм для удаления загрязнений, потемнений и полировки царапин Ф-0819 купить в Алматы
Ф-0819
22 170 тенге/шт
Паста Фламил 200 грамм для удаления загрязнений, потемнений и полировки царапин Ф-0819
(DIN 975.A2) Шпилька нерж. М16 М-3962 купить в Алматы
М-3962
304
7 020 тенге/шт
(DIN 975.A2) Шпилька нерж. М16 М-3962
(DIN 975.Zn) Шпилька оц. М16 М-3954 купить в Алматы
М-3954
4 020 тенге/шт
(DIN 975.Zn) Шпилька оц. М16 М-3954
Хим.анкер  Bit-Stick 400 мл Ф-0799 купить в Алматы
Ф-0799
10 280 тенге/шт
Хим.анкер Bit-Stick 400 мл Ф-0799
(DIN 1587.A2) Колп. гайка нерж. М16 М-3212 купить в Алматы
М-3212
600 тенге/шт
(DIN 1587.A2) Колп. гайка нерж. М16 М-3212
Гайка для рутеля(стеклодержателя)М14, шаг резьбы 1,5, AISI 304 k650 купить в Алматы
k650
304
1 280 тенге/шт
Гайка для рутеля(стеклодержателя)М14, шаг резьбы 1,5, AISI 304 k650
Крепление стеклодержателя (рутеля) к ванте (серьга) (AISI304) k659 купить в Алматы
k659
304
19 120 тенге/шт
Крепление стеклодержателя (рутеля) к ванте (серьга) (AISI304) k659
Крепление стеклодержателя (рутеля) к стене под резьбу М14 (AISI304) k660 купить в Алматы
k660
304
22 630 тенге/шт
Крепление стеклодержателя (рутеля) к стене под резьбу М14 (AISI304) k660
(DIN 9021.Zn) Шайба оц. кузовная М16х50х3 М-3720 купить в Алматы
М-3720
80 тенге/шт
(DIN 9021.Zn) Шайба оц. кузовная М16х50х3 М-3720
Крепление ванты(тяги) козырька к стене (AISI304), литое, полированное k658 купить в Алматы
k658
304
19 150 тенге/шт
Крепление ванты(тяги) козырька к стене (AISI304), литое, полированное k658
Рутель под стекло 10-26 мм, шпилька М14, регулируемый, разборный (AISI 304) k269-6 купить в Алматы
k269-6
304
6 710 тенге/шт
Рутель под стекло 10-26 мм, шпилька М14, регулируемый, разборный (AISI 304) k269-6
Наконечник ванты (тяги) под резьбу М16 левый (AISI304) k661-L купить в Алматы
k661-L
304
12 960 тенге/шт
Наконечник ванты (тяги) под резьбу М16 левый (AISI304) k661-L
Наконечник ванты (тяги) под резьбу М16 правый (AISI304) k661-R купить в Алматы
k661-R
304
11 990 тенге/шт
Наконечник ванты (тяги) под резьбу М16 правый (AISI304) k661-R
Миксер для химии Ф-1102 купить в Алматы
Ф-1102
730 тенге/шт
Миксер для химии Ф-1102
Стеклодержатель (рутель) под стекло от 16 до 24 мм, полированный (AISI 316) k274 купить в Алматы
k274
316
18 250 тенге/шт
Стеклодержатель (рутель) под стекло от 16 до 24 мм, полированный (AISI 316) k274
I-спайдер-200мм, AISI 304, 2х26х38, 1х18х36/40мм, нагрузки: 1кН, 2кН k288-I-2 купить в Алматы
k288-I-2
304
13 110 тенге/шт
I-спайдер-200мм, AISI 304, 2х26х38, 1х18х36/40мм, нагрузки: 1кН, 2кН k288-I-2
k668-16-L2 Вант (тяга) для козырька М16, 1000-2000 мм (AISI 304) купить в Алматы
k668-16-L2
304
34 190 тенге/шт
k668-16-L2 Вант (тяга) для козырька М16, 1000-2000 мм (AISI 304)
k668-16-L3 Вант (тяга) для козырька М16, 2000-3000мм (AISI 304) купить в Алматы
k668-16-L3
304
28 250 тенге/шт
k668-16-L3 Вант (тяга) для козырька М16, 2000-3000мм (AISI 304)
Стеклодержатель (рутель) под стекло толщиной от 16 до 24 мм, полированный (AISI 304) k269 купить в Алматы
k269
304
13 060 тенге/шт
Стеклодержатель (рутель) под стекло толщиной от 16 до 24 мм, полированный (AISI 304) k269
Товары аналоги
Стеклодержатель (рутель) под стекло от 16 до 24 мм, полированный (AISI 316) k274 купить в Алматы
k274
316
18 250 тенге/шт
Стеклодержатель (рутель) под стекло от 16 до 24 мм, полированный (AISI 316) k274
Стеклодержатель (рутель) под стекло толщиной от 16 до 24 мм, полированный (AISI 304) k269 купить в Алматы
k269
304
13 060 тенге/шт
Стеклодержатель (рутель) под стекло толщиной от 16 до 24 мм, полированный (AISI 304) k269
Спайдер-200 мм X-образный 4х26х38, 1х18х36/40 мм, нагрузки: 1кН, 2кН (AISI 304) k288-X купить в Алматы
k288-X
304
25 020 тенге/шт
Спайдер-200 мм X-образный 4х26х38, 1х18х36/40 мм, нагрузки: 1кН, 2кН (AISI 304) k288-X
Основание спайдера О-БОЛТ, под плоскость, оцин.(винт AISI 304) k299 купить в Алматы
k299
304
15 690 тенге/шт
Основание спайдера О-БОЛТ, под плоскость, оцин.(винт AISI 304) k299
Крепеж спайдера к плоскому основанию О-БОЛТ, оцин.(винт AISI 304) k299-2 купить в Алматы
k299-2
304
19 400 тенге/шт
Крепеж спайдера к плоскому основанию О-БОЛТ, оцин.(винт AISI 304) k299-2
Также Вам может понадобиться
Диск абразивный 150х5.5х12, Grit 320 k464 купить в Алматы
k464
1 680 тенге/шт
Диск абразивный 150х5.5х12, Grit 320 k464
Шлиф.круг самолип. d.125,P.120 KLINGSPOR Ф-1085 купить в Алматы
Ф-1085
480 тенге/шт
Шлиф.круг самолип. d.125,P.120 KLINGSPOR Ф-1085
Шлиф.круг самолип. d.125,P.400 KLINGSPOR Ф-0906 купить в Алматы
Ф-0906
160 тенге/шт
Шлиф.круг самолип. d.125,P.400 KLINGSPOR Ф-0906
Перчатки х/б, точка Ф-0809 купить в Алматы
Ф-0809
140 тенге/шт
Перчатки х/б, точка Ф-0809
Шлиф.круг самолип. d.125,P.320 SMIRDEX Ф-0908 купить в Алматы
Ф-0908
220 тенге/шт
Шлиф.круг самолип. d.125,P.320 SMIRDEX Ф-0908
Проволока AISI 308 d.1.6 мм (1м) Ф-0881 купить в Алматы
Ф-0881
210 тенге/м
Проволока AISI 308 d.1.6 мм (1м) Ф-0881
Шлиф.круг самолип. d.125,P.240 KLINGSPOR Ф-0905 купить в Алматы
Ф-0905
180 тенге/шт
Шлиф.круг самолип. d.125,P.240 KLINGSPOR Ф-0905
Электроды плавящиеся МР-3, д3 мм, по черному металлу Ф-1446 купить в Алматы
Ф-1446
120 тенге/шт
Электроды плавящиеся МР-3, д3 мм, по черному металлу Ф-1446
Ультратонкий отрезной круг д.125/1/22 KLINGSPOR Ф-0835 купить в Алматы
Ф-0835
1 670 тенге/шт
Ультратонкий отрезной круг д.125/1/22 KLINGSPOR Ф-0835
Проволока AISI 304 d.1.0 мм (1м) Ф-0880 купить в Алматы
Ф-0880
70 тенге/м
Проволока AISI 304 d.1.0 мм (1м) Ф-0880
Новинки категории
Закладной кронштейн, Ст3 (закладная) k691 купить в Алматы
k691
91 130 тенге/шт
Закладной кронштейн, Ст3 (закладная) k691
Закладной кронштейн, Ст3 (закладная) k690 купить в Алматы
k690
90 380 тенге/шт
Закладной кронштейн, Ст3 (закладная) k690
Крепление рутеля к тяге (серьга) (AISI316) М14 k659-16-2 купить в Алматы
k659-16-2
316
4 860 тенге/шт
Крепление рутеля к тяге (серьга) (AISI316) М14 k659-16-2
Саморез для алюминиевого кондуктора 5,5х55мм,A2 k615-03-55 купить в Алматы
k615-03-55
304
230 тенге/шт
Саморез для алюминиевого кондуктора 5,5х55мм,A2 k615-03-55
Крепление рутеля к стене, двойное 250мм, фланец с тремя отверстиями, AISI 304 k612-3 купить в Алматы
k612-3
304
/шт
Крепление рутеля к стене, двойное 250мм, фланец с тремя отверстиями, AISI 304 k612-3
Комплект профиля козырькового анодированного, для стекла 20 мм (10+10 мм), 1000 мм  k300-20-1000 купить в Алматы
k300-20-1000
/шт
Комплект профиля козырькового анодированного, для стекла 20 мм (10+10 мм), 1000 мм k300-20-1000
Комплект профиля козырькового анодированного, для стекла 16 мм (8+8 мм), 1000 мм  k300-16-1000 купить в Алматы
k300-16-1000
/шт
Комплект профиля козырькового анодированного, для стекла 16 мм (8+8 мм), 1000 мм k300-16-1000
Вант (тяга) для козырька М10, длина 1450 мм AISI 304 k668-10-1450 купить в Алматы
k668-10-1450
304
17 340 тенге/шт
Вант (тяга) для козырька М10, длина 1450 мм AISI 304 k668-10-1450
Комплект профиля козырькового анодированного, для стекла 20 мм (10+10 мм), 3000 мм  k300-20-3000 купить в Алматы
k300-20-3000
388 660 тенге/шт
Комплект профиля козырькового анодированного, для стекла 20 мм (10+10 мм), 3000 мм k300-20-3000
Комплект профиля козырькового анодированного, для стекла 20 мм (10+10 мм), 1500 мм  k300-20-1500 купить в Алматы
k300-20-1500
193 290 тенге/шт
Комплект профиля козырькового анодированного, для стекла 20 мм (10+10 мм), 1500 мм k300-20-1500
Наш Telegram-канал
Эксклюзивные акции и скидки только для подписчиков: не упусти выгоду!
Перейти на наш канал
Подпишись на наш Telegram-канал
Эксклюзивные акции и скидки только для подписчиков: не упусти выгоду!